Carrito
No hay más productos en tu carrito
Accesorios de Rodamientos
Rodamiento de Enganche 30x62 mm.
Varios
GRAE30NPPB
26,92 €
22,88 €
Rodamiento de Enganche 30x62 mm.
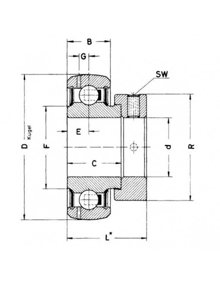
Anillo interior ampliado por un lado con anillo tensor. Anillo exterior convexo con canal de lubricación. Junta en forma de P. Carcasa de poliamida. Rodamiento bajo tensión. Anillo tensor.
Código de origen:
GRAE30-NPP-B
d (mm):
30
D (mm):
62
C (mm):
23,8
B (mm):
18
E (mm):
9
F (mm):
37,4
G (mm):
5
L (mm):
35,7
SW (mm):
4
R...
